陶瓷霧化片 Atomization Piece
陶瓷晶振 Ceramic SMD crystal
陶瓷濾波器 CeramicFilter
聲表面濾波器|諧振器 SAW filter
千赫晶體KHZ KHz Crystal
石英晶振 Quartz Crystal
貼片晶振 SMD crystal
NJR晶振
應達利晶振
日本大真空晶體 KDS晶振
精工晶振 SEIKO晶體
日本村田陶瓷晶振
西鐵城晶振 CITIZEN晶振
愛普生晶振 EPSON晶振
NSK晶振 NSK晶振
大河晶振 大河晶振
CTS晶振 美國CTS晶振
TXC晶振 TXC晶振
鴻星晶振 鴻星晶振
加高晶振 加高晶振
百利通亞陶晶振 百利通亞陶晶振
泰藝晶振 泰藝晶振
京瓷晶振 京瓷晶振
NDK晶振 NDK晶振
希華晶振 希華晶振
富士晶振 富士晶振
MERCURY晶振
NAKA晶振
SMI晶振
安基晶振
NKG晶振
Renesas瑞薩晶振
ITTI晶振
CTS晶振
Abracon晶振
微晶晶振
瑞康晶振
FOX晶振
Statek晶振
ECS晶振
IDT晶振
高利奇晶振
SiTime晶振
日蝕晶振
康納溫菲爾德晶振
Jauch晶振
維管晶振
拉隆晶振
格林雷晶振
Pletronics晶振
AEK晶振
AEL晶振
Cardinal晶振
Crystek晶振
Euroquartz晶振
Frequency晶振
GEYER晶振
ILSI晶振
KVG晶振
MMDCOMP晶振
MtronPTI晶振
QANTEK晶振
QuartzCom晶振
QuartzChnik晶振
SUNTSU晶振
Transko晶振
WI2WI晶振
韓國三呢晶振
ARGO晶振
ACT晶振
Milliren晶振
韓國Lihom晶振
rubyquartz晶振
美國Oscilent晶振
韓國SHINSUNG晶振
PDI晶振
C-TECH晶振
IQD晶振
Microchip晶振
Fortiming晶振
CORE晶振
NIPPON晶振
NIC晶振
QVS晶振
Bomar晶振
Bliley晶振
GED晶振
FILTRONETICS晶振
STD晶振
Q-Tech晶振
Anderson晶振
Wenzel晶振
NEL晶振
EM晶振
德國PETERMANN晶振
荷蘭FCD-Tech晶體
HEC晶振
FMI晶振
Macrobizes晶振
德國AXTAL晶振
Silicon晶振
SKYWORKS晶振
石英晶體振蕩器 石英晶體振蕩器
壓控晶振 壓控晶振
溫補晶振 溫補晶振
壓控溫補晶振 壓控溫補晶振
恒溫晶振 恒溫晶振
差分晶振 差分晶振
32.768K有源晶振 32.768K有源晶振
座機: 0755-27876565
手機: 18924600166
E-mail:yijindz@163.com
QQ:857950243
地址:深圳市寶安區新安107國道旁甲岸路
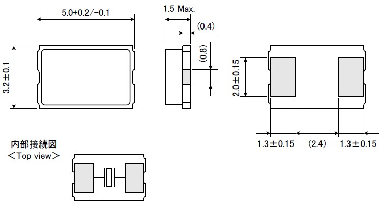
FCX-03諧振器,River晶體,日本進口晶振
.jpg)
FCX-03諧振器,River晶體,日本進口晶振晶振本身小型,薄型具備各類移動通信的基準時鐘源用頻率,貼片晶振具有優良的電氣特性,耐環境性能適用于移動通信領域,滿足無鉛焊接的高溫回流溫度曲線要求.

| 項目 | 記號 | 標準規格 | 單位 |
| 型號 | FCX-03 | ||
| 頻率范圍 | f_nom | 8~60 | MHZ |
| 負載電容 | OT | 8 | PF |
| 精度 | CL | ±15 | ×10﹣6 |
| 直列抵抗 | R1 | Table | ohm |
| 工作溫度范圍 | T_use | -10 ~+70 | °C |
| 保存溫度范圍 | T_stg | -40~+85 | °C |
| 頻率溫度特性 | f_tem | ±15 | ×10﹣6 |
| 包裝 | Pcs | 1000 | Pcs |
.jpg)

.jpg)
依據不同的應用領域及工作溫度需求, 因應了許多不同的石英切割角度種類. 例如AT-, BT-, CT-, DT-, NT, GT…..等不同的切割板片. 不同的切割方向的板片具有不同的彈性常數張量, 不同的壓電常數張量(piezoelectric constant tensor)及不同的介電常數張量(dielectric constant tensor). 這些張量在石英組件的設計及應用上展現了不同的振蕩及溫度特性. (如圖)表現了在Z-plat石英結構上,幾種不同方向的石英板片切割方式.
RIVER ELETEC是以生產晶體、晶振為主的電子元器件廠家.尤其在SMD型(表貼型)小型水晶元器件方面一直處于行業領先地位,積累了許多獨特的技術,贏得了“小型元器件找RIVER”的信譽.自1949年生產電阻以來,公司一貫重視開發具有獨特性能的元器件,RIVER ELETEC現已成為一個以研發和生產晶振為核心業務的日本上市公司.
2003年通過ISO14001環境管理系統驗證,秉持“污染預防、持續改善”之原則,公司事業廢棄物產出量逐年降低,可回收、再利用之廢棄物比例逐年提高,各項排放檢測數據符合政府法規要求.并由原材料管控禁用或限用環境危害物質與國際大廠對于綠色生產及綠色產品的要求相符,于2004年通過SONY 綠色伙伴(Green Partner)驗證.
.jpg)
聯系人:鐘洋公司:深圳市億金電子有限公司
SHENZHEN YIJIN ELECTRONICS CO;LTD
電話:0755-27876565
手機:18924600166
QQ:857950243
郵箱:yijindz@163.com
網站://hikefu.cn
地址:廣東省深圳市寶安區新安107國道旁







