陶瓷霧化片 Atomization Piece
陶瓷晶振 Ceramic SMD crystal
陶瓷濾波器 CeramicFilter
聲表面濾波器|諧振器 SAW filter
千赫晶體KHZ KHz Crystal
石英晶振 Quartz Crystal
貼片晶振 SMD crystal
NJR晶振
應達利晶振
日本大真空晶體 KDS晶振
精工晶振 SEIKO晶體
日本村田陶瓷晶振
西鐵城晶振 CITIZEN晶振
愛普生晶振 EPSON晶振
NSK晶振 NSK晶振
大河晶振 大河晶振
CTS晶振 美國CTS晶振
TXC晶振 TXC晶振
鴻星晶振 鴻星晶振
加高晶振 加高晶振
百利通亞陶晶振 百利通亞陶晶振
泰藝晶振 泰藝晶振
京瓷晶振 京瓷晶振
NDK晶振 NDK晶振
希華晶振 希華晶振
富士晶振 富士晶振
MERCURY晶振
NAKA晶振
SMI晶振
安基晶振
NKG晶振
Renesas瑞薩晶振
ITTI晶振
CTS晶振
Abracon晶振
微晶晶振
瑞康晶振
FOX晶振
Statek晶振
ECS晶振
IDT晶振
高利奇晶振
SiTime晶振
日蝕晶振
康納溫菲爾德晶振
Jauch晶振
維管晶振
拉隆晶振
格林雷晶振
Pletronics晶振
AEK晶振
AEL晶振
Cardinal晶振
Crystek晶振
Euroquartz晶振
Frequency晶振
GEYER晶振
ILSI晶振
KVG晶振
MMDCOMP晶振
MtronPTI晶振
QANTEK晶振
QuartzCom晶振
QuartzChnik晶振
SUNTSU晶振
Transko晶振
WI2WI晶振
韓國三呢晶振
ARGO晶振
ACT晶振
Milliren晶振
韓國Lihom晶振
rubyquartz晶振
美國Oscilent晶振
韓國SHINSUNG晶振
PDI晶振
C-TECH晶振
IQD晶振
Microchip晶振
Fortiming晶振
CORE晶振
NIPPON晶振
NIC晶振
QVS晶振
Bomar晶振
Bliley晶振
GED晶振
FILTRONETICS晶振
STD晶振
Q-Tech晶振
Anderson晶振
Wenzel晶振
NEL晶振
EM晶振
德國PETERMANN晶振
荷蘭FCD-Tech晶體
HEC晶振
FMI晶振
Macrobizes晶振
德國AXTAL晶振
Silicon晶振
SKYWORKS晶振
石英晶體振蕩器 石英晶體振蕩器
壓控晶振 壓控晶振
溫補晶振 溫補晶振
壓控溫補晶振 壓控溫補晶振
恒溫晶振 恒溫晶振
差分晶振 差分晶振
32.768K有源晶振 32.768K有源晶振
座機: 0755-27876565
手機: 18924600166
E-mail:yijindz@163.com
QQ:857950243
地址:深圳市寶安區新安107國道旁甲岸路
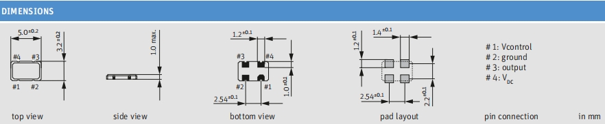
O 54.0-JV53-B-3.3-10-T1-LF,JAUCH品牌,6G基站晶振

O 54.0-JV53-B-3.3-10-T1-LF,JAUCH品牌,6G基站晶振,歐美進口晶振,Jauch晶振,JV53有源晶振,O 54.0-JV53-B-3.3-10-T1-LF晶振,壓控晶體振蕩器,5032封裝晶振,SMD晶振,石英晶振,頻率54MHz,電壓3.3V,工作溫度-40~85°C,頻率穩定性50ppm,高可靠性晶振,低相位噪聲晶振,低電源電壓晶振,6G基站晶振,毫微微蜂窩晶振,存儲區域網絡晶振,數字音頻廣播晶振.
O 54.0-JV53-B-3.3-10-T1-LF,JAUCH品牌,6G基站晶振特點:
-SMD電壓控制晶體振蕩器,5.0 x 3.2 mm
-拉力范圍可達±100 ppm min。
-陶瓷/金屬封裝

O 54.0-JV53-B-3.3-10-T1-LF,JAUCH品牌,6G基站晶振規格表
| TYPE | JV53 | |
| frequency range | 54 MHz | |
| frequency stability over all* | ± 50 ppm | |
| current consumption | 25.0 mA (40.0 ~ 54.0MHz) | |
| supply voltage VDC | 3.3V (±10%) | |
| frequency pulling range min | ±100 ppm | |
| pulling | control voltage | 1.65 V ± 1.35 V** |
| linearity | < 10 % | |
|
input imp. min
|
100 KΩ
|
|
|
modulation min.
|
20 kHz | |
| temperature | operating | -40°C ~ +85 °C |
| storage | -55 °C ~ +125 °C | |
| output | rise & fall time | 6.0 ns max(> 10.0 MHz) |
| load max | 15 pF | |
| current max | 4 mA | |
| low level max |
0.1 x VDC
|
|
| high level min. |
0.9 x VDC
|
|
| standby function | no | |
| start-up time max | 10 ms | |
| symmetry at 0.5 x VDC. | 45 % ~ 55 % max. | |
.jpg)
O 54.0-JV53-B-3.3-10-T1-LF,JAUCH品牌,6G基站晶振尺寸圖
| Jauch晶振原廠編碼 | 制造商 | 型號 | 頻率 | 頻率容差 | 負載電容 | 工作溫度 |
| Q 0.032768-JTX410-7-20-T1-LF | Jauch晶振 | JTX410 | 32.768kHz | ±20ppm | 7pF | -40°C ~ 85°C |
| Q 0.032768-JTX410-8-20-T1-LF | Jauch晶振 | JTX410 | 32.768kHz | ±20ppm | 8pF | -40°C ~ 85°C |
| Q 0.032768-JTX410-10-20-T1-LF | Jauch晶振 | JTX410 | 32.768kHz | ±20ppm | 10pF | -40°C ~ 85°C |
| Q 0.032768-JTX410-12.5-20-T1-LF | Jauch晶振 | JTX410 | 32.768kHz | ±20ppm | 12.5pF | -40°C ~ 85°C |
| Q 0.032768-JTX410-9-10-T1-LF | Jauch晶振 | JTX410 | 32.768kHz | ±10ppm | 9pF | -40°C ~ 85°C |
| Q 0.032768-JTX410-7-10-T1-LF | Jauch晶振 | JTX410 | 32.768kHz | ±10ppm | 7pF | -40°C ~ 85°C |
| Q 0.032768-JTX410-8-10-T1-LF | Jauch晶振 | JTX410 | 32.768kHz | ±10ppm | 8pF | -40°C ~ 85°C |
| Q 0.032768-JTX410-10-10-T1-LF | Jauch晶振 | JTX410 | 32.768kHz | ±10ppm | 10pF | -40°C ~ 85°C |
| Q 0.032768-JTX410-12.5-10-T1-LF | Jauch晶振 | JTX410 | 32.768kHz | ±10ppm | 12.5pF | -40°C ~ 85°C |
| Q 0.032768-JTX410-9-30-T1-LF | Jauch晶振 | JTX410 | 32.768kHz | ±30ppm | 9pF | -40°C ~ 85°C |
| Q 0.032768-JTX410-8-30-T1-LF | Jauch晶振 | JTX410 | 32.768kHz | ±30ppm | 8pF | -40°C ~ 85°C |
| Q 0.032768-JTX410-7-30-T1-LF | Jauch晶振 | JTX410 | 32.768kHz | ±30ppm | 7pF | -40°C ~ 85°C |
| Q 0.032768-JTX410-12.5-30-T1-LF | Jauch晶振 | JTX410 | 32.768kHz | ±30ppm | 12.5pF | -40°C ~ 85°C |
| Q 0.032768-JTX410-10-30-T1-LF | Jauch晶振 | JTX410 | 32.768kHz | ±30ppm | 10pF | -40°C ~ 85°C |
| Q 0.032768-JTX310-12.5-20-T1-HMR-LF | Jauch晶振 | JTX310 | 32.768kHz | ±20ppm | 12.5pF | -40°C ~ 85°C |
| Q 0.032768-JTX310-12.5-20-T1-HMR-LF | Jauch晶振 | JTX310 | 32.768kHz | ±20ppm | 12.5pF | -40°C ~ 85°C |
| Q 0.032768-JTX310-12.5-20-T2-HMR-LF | Jauch晶振 | JTX310 | 32.768kHz | ±20ppm | 12.5pF | -40°C ~ 105°C |
| Q 0.032768-JTX310-12.5-20-T2-HMR-LF | Jauch晶振 | JTX310 | 32.768kHz | ±20ppm | 12.5pF | -40°C ~ 105°C |
| Q 0.032768-JTX310-12.5-20-T2-HMR-LF | Jauch晶振 | JTX310 | 32.768kHz | ±20ppm | 12.5pF | -40°C ~ 105°C |
| Q 0.032768-JTX310-9-20-T1-HMR-LF | Jauch晶振 | JTX310 | 32.768kHz | ±20ppm | 9pF | -40°C ~ 85°C |
| Q 0.032768-JTX310-9-20-T1-HMR-LF | Jauch晶振 | JTX310 | 32.768kHz | ±20ppm | 9pF | -40°C ~ 85°C |
| Q 0.032768-JTX310-9-20-T1-HMR-LF | Jauch晶振 | JTX310 | 32.768kHz | ±20ppm | 9pF | -40°C ~ 85°C |
| Q 0.032768-JTX310-12.5-20-T3-HMR-LF | Jauch晶振 | JTX310 | 32.768kHz | ±20ppm | 12.5pF | -40°C ~ 125°C |
| Q 0.032768-JTX310-12.5-20-T3-HMR-LF | Jauch晶振 | JTX310 | 32.768kHz | ±20ppm | 12.5pF | -40°C ~ 125°C |
| Q 0.032768-JTX310-12.5-20-T3-HMR-LF | Jauch晶振 | JTX310 | 32.768kHz | ±20ppm | 12.5pF | -40°C ~ 125°C |
| Q 0.032768-JTX310-12.5-20-T1-HMR-50K-LF | Jauch晶振 | JTX310 | 32.768kHz | ±20ppm | 12.5pF | -40°C ~ 85°C |
| Q 0.032768-JTX310-12.5-20-T1-HMR-50K-LF | Jauch晶振 | JTX310 | 32.768kHz | ±20ppm | 12.5pF | -40°C ~ 85°C |
| Q 0.032768-JTX310-12.5-20-T1-HMR-50K-LF | Jauch晶振 | JTX310 | 32.768kHz | ±20ppm | 12.5pF | -40°C ~ 85°C |
| Q 0.032768-JTX310-12.5-20-T1-HMR-60K-LF | Jauch晶振 | JTX310 | 32.768kHz | ±20ppm | 12.5pF | -40°C ~ 85°C |
| Q 0.032768-JTX310-12.5-20-T1-HMR-60K-LF | Jauch晶振 | JTX310 | 32.768kHz | ±20ppm | 12.5pF | -40°C ~ 85°C |
| Q 0.032768-JTX310-12.5-20-T1-HMR-60K-LF | Jauch晶振 | JTX310 | 32.768kHz | ±20ppm | 12.5pF | -40°C ~ 85°C |
| Q 0.032768-JTX310-7-20-T1-HMR-LF | Jauch晶振 | JTX310 | 32.768kHz | ±20ppm | 7pF | -40°C ~ 85°C |
| Q 0.032768-JTX310-7-20-T1-HMR-LF | Jauch晶振 | JTX310 | 32.768kHz | ±20ppm | 7pF | -40°C ~ 85°C |
| Q 0.032768-JTX310-7-20-T1-HMR-LF | Jauch晶振 | JTX310 | 32.768kHz | ±20ppm | 7pF | -40°C ~ 85°C |
| Q 0.032768-JTX310-9-20-T2-HMR-LF | Jauch晶振 | JTX310 | 32.768kHz | ±20ppm | 9pF | -40°C ~ 105°C |
| Q 0.032768-JTX310-9-20-T2-HMR-LF | Jauch晶振 | JTX310 | 32.768kHz | ±20ppm | 9pF | -40°C ~ 105°C |
| Q 0.032768-JTX310-9-20-T2-HMR-LF | Jauch晶振 | JTX310 | 32.768kHz | ±20ppm | 9pF | -40°C ~ 105°C |
| Q 0.032768-JTX310-7-20-T2-HMR-LF | Jauch晶振 | JTX310 | 32.768kHz | ±20ppm | 7pF | -40°C ~ 105°C |
| Q 0.032768-JTX310-7-20-T2-HMR-LF | Jauch晶振 | JTX310 | 32.768kHz | ±20ppm | 7pF | -40°C ~ 105°C |
| Q 0.032768-JTX310-7-20-T2-HMR-LF | Jauch晶振 | JTX310 | 32.768kHz | ±20ppm | 7pF | -40°C ~ 105°C |
| Q 0.032768-JTX310-9-20-T3-HMR-LF | Jauch晶振 | JTX310 | 32.768kHz | ±20ppm | 9pF | -40°C ~ 125°C |
| Q 0.032768-JTX310-9-20-T3-HMR-LF | Jauch晶振 | JTX310 | 32.768kHz | ±20ppm | 9pF | -40°C ~ 125°C |
| Q 0.032768-JTX310-9-20-T3-HMR-LF | Jauch晶振 | JTX310 | 32.768kHz | ±20ppm | 9pF | -40°C ~ 125°C |
| Q 0.032768-JTX310-12.5-20-T2-HMR-70K-LF | Jauch晶振 | JTX310 | 32.768kHz | ±20ppm | 12.5pF | -40°C ~ 105°C |
| Q 0.032768-JTX310-12.5-20-T2-HMR-70K-LF | Jauch晶振 | JTX310 | 32.768kHz | ±20ppm | 12.5pF | -40°C ~ 105°C |
| Q 0.032768-JTX310-12.5-20-T2-HMR-70K-LF | Jauch晶振 | JTX310 | 32.768kHz | ±20ppm | 12.5pF | -40°C ~ 105°C |
| Q 0.032768-JTX310-7-20-T3-HMR-LF | Jauch晶振 | JTX310 | 32.768kHz | ±20ppm | 7pF | -40°C ~ 125°C |
| Q 0.032768-JTX310-7-20-T3-HMR-LF | Jauch晶振 | JTX310 | 32.768kHz | ±20ppm | 7pF | -40°C ~ 125°C |
| Q 0.032768-JTX310-7-20-T3-HMR-LF | Jauch晶振 | JTX310 | 32.768kHz | ±20ppm | 7pF | -40°C ~ 125°C |
| Q 0.032768-JTX310-12.5-20-T3-HMR-70K-LF | Jauch晶振 | JTX310 | 32.768kHz | ±20ppm | 12.5pF | -40°C ~ 125°C |
| Q 0.032768-JTX310-12.5-20-T3-HMR-70K-LF | Jauch晶振 | JTX310 | 32.768kHz | ±20ppm | 12.5pF | -40°C ~ 125°C |
| Q 0.032768-JTX310-12.5-20-T3-HMR-70K-LF | Jauch晶振 | JTX310 | 32.768kHz | ±20ppm | 12.5pF | -40°C ~ 125°C |
| Q 0.032768-JTX310-6-20-T1-HMR-LF | Jauch晶振 | JTX310 | 32.768kHz | ±20ppm | 6pF | -40°C ~ 85°C |
| Q 0.032768-JTX310-6-20-T1-HMR-LF | Jauch晶振 | JTX310 | 32.768kHz | ±20ppm | 6pF | -40°C ~ 85°C |
| Q 0.032768-JTX310-6-20-T1-HMR-LF | Jauch晶振 | JTX310 | 32.768kHz | ±20ppm | 6pF | -40°C ~ 85°C |
| Q 0.032768-JTX310-6-20-T2-HMR-LF | Jauch晶振 | JTX310 | 32.768kHz | ±20ppm | 6pF | -40°C ~ 105°C |
| Q 0.032768-JTX310-6-20-T2-HMR-LF | Jauch晶振 | JTX310 | 32.768kHz | ±20ppm | 6pF | -40°C ~ 105°C |
| Q 0.032768-JTX310-6-20-T2-HMR-LF | Jauch晶振 | JTX310 | 32.768kHz | ±20ppm | 6pF | -40°C ~ 105°C |
| Q 0.032768-JTX210-12.5-20-T1-LF | Jauch晶振 | JTX210 | 32.768kHz | ±20ppm | 12.5pF | -40°C ~ 85°C |
| Q 0.032768-JTX210-12.5-20-T1-LF | Jauch晶振 | JTX210 | 32.768kHz | ±20ppm | 12.5pF | -40°C ~ 85°C |
| Q 0.032768-JTX210-12.5-20-T1-LF | Jauch晶振 | JTX210 | 32.768kHz | ±20ppm | 12.5pF | -40°C ~ 85°C |
| Q 0.032768-JTX210-9-20-T1-LF | Jauch晶振 | JTX210 | 32.768kHz | ±20ppm | 9pF | -40°C ~ 85°C |
| Q 0.032768-JTX210-9-20-T1-LF | Jauch晶振 | JTX210 | 32.768kHz | ±20ppm | 9pF | -40°C ~ 85°C |
| Q 0.032768-JTX210-9-20-T1-LF | Jauch晶振 | JTX210 | 32.768kHz | ±20ppm | 9pF | -40°C ~ 85°C |
| Q 0.032768-JTX310-6-20-T3-HMR-LF | Jauch晶振 | JTX310 | 32.768kHz | ±20ppm | 6pF | -40°C ~ 125°C |
| Q 0.032768-JTX310-6-20-T3-HMR-LF | Jauch晶振 | JTX310 | 32.768kHz | ±20ppm | 6pF | -40°C ~ 125°C |
| Q 0.032768-JTX310-6-20-T3-HMR-LF | Jauch晶振 | JTX310 | 32.768kHz | ±20ppm | 6pF | -40°C ~ 125°C |
| Q 0.032768-JTX310-12.5-10-T1-HMR-LF | Jauch晶振 | JTX310 | 32.768kHz | ±10ppm | 12.5pF | -40°C ~ 85°C |
| Q 0.032768-JTX310-12.5-10-T1-HMR-LF | Jauch晶振 | JTX310 | 32.768kHz | ±10ppm | 12.5pF | -40°C ~ 85°C |
| Q 0.032768-JTX310-12.5-10-T1-HMR-LF | Jauch晶振 | JTX310 | 32.768kHz | ±10ppm | 12.5pF | -40°C ~ 85°C |
| Q 0.032768-JTX210-12.5-20-T2-LF | Jauch晶振 | JTX210 | 32.768kHz | ±20ppm | 12.5pF | -40°C ~ 105°C |
| Q 0.032768-JTX210-12.5-20-T2-LF | Jauch晶振 | JTX210 | 32.768kHz | ±20ppm | 12.5pF | -40°C ~ 105°C |
| Q 0.032768-JTX210-12.5-20-T2-LF | Jauch晶振 | JTX210 | 32.768kHz | ±20ppm | 12.5pF | -40°C ~ 105°C |
| Q 0.032768-JTX310-12.5-10-T2-HMR-LF | Jauch晶振 | JTX310 | 32.768kHz | ±10ppm | 12.5pF | -40°C ~ 105°C |
| Q 0.032768-JTX310-12.5-10-T2-HMR-LF | Jauch晶振 | JTX310 | 32.768kHz | ±10ppm | 12.5pF | -40°C ~ 105°C |
| Q 0.032768-JTX310-12.5-10-T2-HMR-LF | Jauch晶振 | JTX310 | 32.768kHz | ±10ppm | 12.5pF | -40°C ~ 105°C |
| Q 19.2-JXS22-10-10/10-WA-LF | Jauch晶振 | JXS22-WA | 19.2MHz | ±10ppm | 10pF | -20°C ~ 70°C |
| Q 19.2-JXS22-10-10/10-WA-LF | Jauch晶振 | JXS22-WA | 19.2MHz | ±10ppm | 10pF | -20°C ~ 70°C |
| Q 19.2-JXS22-12-10/10-WA-LF | Jauch晶振 | JXS22-WA | 19.2MHz | ±10ppm | 12pF | -20°C ~ 70°C |
| Q 19.2-JXS22-12-10/10-WA-LF | Jauch晶振 | JXS22-WA | 19.2MHz | ±10ppm | 12pF | -20°C ~ 70°C |
| Q 19.2-JXS22-12-10/10-WA-LF | Jauch晶振 | JXS22-WA | 19.2MHz | ±10ppm | 12pF | -20°C ~ 70°C |
| Q 19.2-JXS22-8-10/10-WA-LF | Jauch晶振 | JXS22-WA | 19.2MHz | ±10ppm | 8pF | -20°C ~ 70°C |
| Q 19.2-JXS22-8-10/10-WA-LF | Jauch晶振 | JXS22-WA | 19.2MHz | ±10ppm | 8pF | -20°C ~ 70°C |
| Q 19.2-JXS22-8-10/10-WA-LF | Jauch晶振 | JXS22-WA | 19.2MHz | ±10ppm | 8pF | -20°C ~ 70°C |
| Q 19.2-JXS22-9-10/10-WA-LF | Jauch晶振 | JXS22-WA | 19.2MHz | ±10ppm | 9pF | -20°C ~ 70°C |
| Q 19.2-JXS22-9-10/10-WA-LF | Jauch晶振 | JXS22-WA | 19.2MHz | ±10ppm | 9pF | -20°C ~ 70°C |
| Q 19.2-JXS22-9-10/10-WA-LF | Jauch晶振 | JXS22-WA | 19.2MHz | ±10ppm | 9pF | -20°C ~ 70°C |
| Q 20.0-JXS22-10-10/10-FU-WA-LF | Jauch晶振 | JXS22-WA | 20MHz | ±10ppm | 10pF | -20°C ~ 70°C |
| Q 20.0-JXS22-10-10/10-FU-WA-LF | Jauch晶振 | JXS22-WA | 20MHz | ±10ppm | 10pF | -20°C ~ 70°C |
| Q 20.0-JXS22-10-10/10-FU-WA-LF | Jauch晶振 | JXS22-WA | 20MHz | ±10ppm | 10pF | -20°C ~ 70°C |
| Q 20.0-JXS22-12-10/10-FU-WA-LF | Jauch晶振 | JXS22-WA | 20MHz | ±10ppm | 12pF | -20°C ~ 70°C |
| Q 20.0-JXS22-12-10/10-FU-WA-LF | Jauch晶振 | JXS22-WA | 20MHz | ±10ppm | 12pF | -20°C ~ 70°C |
| Q 20.0-JXS22-12-10/10-FU-WA-LF | Jauch晶振 | JXS22-WA | 20MHz | ±10ppm | 12pF | -20°C ~ 70°C |
| Q 20.0-JXS22-8-10/10-FU-WA-LF | Jauch晶振 | JXS22-WA | 20MHz | ±10ppm | 8pF | -20°C ~ 70°C |
| Q 20.0-JXS22-8-10/10-FU-WA-LF | Jauch晶振 | JXS22-WA | 20MHz | ±10ppm | 8pF | -20°C ~ 70°C |
| Q 20.0-JXS22-8-10/10-FU-WA-LF | Jauch晶振 | JXS22-WA | 20MHz | ±10ppm | 8pF | -20°C ~ 70°C |
| Q 20.0-JXS22-9-10/10-FU-WA-LF | Jauch晶振 | JXS22-WA | 20MHz | ±10ppm | 9pF | -20°C ~ 70°C |
| Q 20.0-JXS22-9-10/10-FU-WA-LF | Jauch晶振 | JXS22-WA | 20MHz | ±10ppm | 9pF | -20°C ~ 70°C |
| Q 20.0-JXS22-9-10/10-FU-WA-LF | Jauch晶振 | JXS22-WA | 20MHz | ±10ppm | 9pF | -20°C ~ 70°C |
| Q 24.0-JXS22-10-10/10-FU-WA-LF | Jauch晶振 | JXS22-WA | 24MHz | ±10ppm | 10pF | -20°C ~ 70°C |
| Q 24.0-JXS22-10-10/10-FU-WA-LF | Jauch晶振 | JXS22-WA | 24MHz | ±10ppm | 10pF | -20°C ~ 70°C |
| Q 24.0-JXS22-10-10/10-FU-WA-LF | Jauch晶振 | JXS22-WA | 24MHz | ±10ppm | 10pF | -20°C ~ 70°C |
| Q 24.0-JXS22-12-10/10-FU-WA-LF | Jauch晶振 | JXS22-WA | 24MHz | ±10ppm | 12pF | -20°C ~ 70°C |
| Q 24.0-JXS22-12-10/10-FU-WA-LF | Jauch晶振 | JXS22-WA | 24MHz | ±10ppm | 12pF | -20°C ~ 70°C |
| Q 24.0-JXS22-12-10/10-FU-WA-LF | Jauch晶振 | JXS22-WA | 24MHz | ±10ppm | 12pF | -20°C ~ 70°C |
| Q 24.0-JXS22-8-10/10-FU-WA-LF | Jauch晶振 | JXS22-WA | 24MHz | ±10ppm | 8pF | -20°C ~ 70°C |
| Q 24.0-JXS22-8-10/10-FU-WA-LF | Jauch晶振 | JXS22-WA | 24MHz | ±10ppm | 8pF | -20°C ~ 70°C |
| Q 24.0-JXS22-8-10/10-FU-WA-LF | Jauch晶振 | JXS22-WA | 24MHz | ±10ppm | 8pF | -20°C ~ 70°C |
| Q 24.0-JXS22-9-10/10-FU-WA-LF | Jauch晶振 | JXS22-WA | 24MHz | ±10ppm | 9pF | -20°C ~ 70°C |
| Q 24.0-JXS22-9-10/10-FU-WA-LF | Jauch晶振 | JXS22-WA | 24MHz | ±10ppm | 9pF | -20°C ~ 70°C |
| Q 24.0-JXS22-9-10/10-FU-WA-LF | Jauch晶振 | JXS22-WA | 24MHz | ±10ppm | 9pF | -20°C ~ 70°C |
| Q 26.0-JXS21-12-10/10-FU-WA-LF | Jauch晶振 | JXS21-WA | 26MHz | ±10ppm | 12pF | -20°C ~ 70°C |
| Q 26.0-JXS21-8-10/10-FU-WA-LF | Jauch晶振 | JXS21-WA | 26MHz | ±10ppm | 8pF | -20°C ~ 70°C |
| Q 26.0-JXS21-9-10/10-FU-WA-LF | Jauch晶振 | JXS21-WA | 26MHz | ±10ppm | 9pF | -20°C ~ 70°C |
| Q 26.0-JXS22-10-10/10-FU-WA-LF | Jauch晶振 | JXS22-WA | 26MHz | ±10ppm | 10pF | -20°C ~ 70°C |
| Q 26.0-JXS22-10-10/10-FU-WA-LF | Jauch晶振 | JXS22-WA | 26MHz | ±10ppm | 10pF | -20°C ~ 70°C |
| Q 26.0-JXS22-10-10/10-FU-WA-LF | Jauch晶振 | JXS22-WA | 26MHz | ±10ppm | 10pF | -20°C ~ 70°C |
| Q 26.0-JXS22-12-10/10-FU-WA-LF | Jauch晶振 | JXS22-WA | 26MHz | ±10ppm | 12pF | -20°C ~ 70°C |
| Q 26.0-JXS22-12-10/10-FU-WA-LF | Jauch晶振 | JXS22-WA | 26MHz | ±10ppm | 12pF | -20°C ~ 70°C |
| Q 26.0-JXS22-12-10/10-FU-WA-LF | Jauch晶振 | JXS22-WA | 26MHz | ±10ppm | 12pF | -20°C ~ 70°C |
| Q 26.0-JXS22-8-10/10-FU-WA-LF | Jauch晶振 | JXS22-WA | 26MHz | ±10ppm | 8pF | -20°C ~ 70°C |
| Q 26.0-JXS22-8-10/10-FU-WA-LF | Jauch晶振 | JXS22-WA | 26MHz | ±10ppm | 8pF | -20°C ~ 70°C |
| Q 26.0-JXS22-8-10/10-FU-WA-LF | Jauch晶振 | JXS22-WA | 26MHz | ±10ppm | 8pF | -20°C ~ 70°C |
| Q 26.0-JXS22-9-10/10-FU-WA-LF | Jauch晶振 | JXS22-WA | 26MHz | ±10ppm | 9pF | -20°C ~ 70°C |
| Q 26.0-JXS22-9-10/10-FU-WA-LF | Jauch晶振 | JXS22-WA | 26MHz | ±10ppm | 9pF | -20°C ~ 70°C |
| Q 26.0-JXS22-9-10/10-FU-WA-LF | Jauch晶振 | JXS22-WA | 26MHz | ±10ppm | 9pF | -20°C ~ 70°C |
| Q 27.12-JXS21-10-10/10-FU-WA-LF | Jauch晶振 | JXS21-WA | 27.12MHz | ±10ppm | 10pF | -20°C ~ 70°C |
| Q 27.12-JXS21-12-10/10-FU-WA-LF | Jauch晶振 | JXS21-WA | 27.12MHz | ±10ppm | 12pF | -20°C ~ 70°C |
| Q 27.12-JXS21-8-10/10-FU-WA-LF | Jauch晶振 | JXS21-WA | 27.12MHz | ±10ppm | 8pF | -20°C ~ 70°C |
.jpg)
.jpg)
SHENZHEN YIJIN ELECTRONICS CO;LTD
電話:0755-27876565
手機:18924600166
QQ:857950243
郵箱:yijindz@163.com
網站://hikefu.cn
地址:廣東省深圳市寶安區新安107國道旁

Jauch溫補晶振,O 26.0-JT53C-A-G-3.3-LF,6G移動無線電晶振,JAUCH溫補晶振,進口有源晶振,JT53C石英晶振,O 26.0-JT53C-A-G-3.3-LF晶振,5032mm晶振,SPXO晶體振蕩器,TCXO晶振,頻率26MHz,電壓3.3V,工作溫度-30~75°C,頻率穩定性2.5ppm,高品質晶振,高精度晶振,低抖動晶振,6G移動無線電晶振,測試與測量儀器晶振,數據中心晶振,高速轉換器晶振.
Jauch溫補晶振,O 26.0-JT53C-A-G-3.3-LF,6G移動無線電晶振特點:
-TCXO帶HCMOS輸出,5.0 x 3.2 mm
-極好的相位噪聲
-工作溫度范圍-40℃~ +85℃
-陶瓷/金屬封裝

Jauch溫補晶振,O 26.0-JT53C-A-G-3.3-LF,6G移動無線電晶振規格表
| TYPE | JT53C | |
| frequency range | 26MHz | |
|
frequency stability |
at +25°℃ | ± 2.0 ppm (incl. 2x reflow) |
| temperature | ±2.5 ppm (others on request) | |
| aging hrst year | ±1.0 ppm | |
| supply voltage | ±0.2 ppm (at VDC ±5%) | |
| load change | ±0.2ppm | |
| current consumption | see table 1 | |
| supply voltage Vae | 3.3V (±5%) | |
| temperature | operating | -30℃-+75℃ |
| storage | -40℃-+105℃ | |
|
output |
rise & fall time | 5.0 ns max |
| load max | 15 pF | |
| current max | 4.0mA | |
| low level max |
0.1 x VDC
|
|
| high level min. |
0.9 x VDC
|
|
| harmonics distortion max. | -5.0 dBC | |
| symmetry at 0.5x V. | 45%-55% max | |
| start-up time max | 3ms | |
| standby current max | 10µA | |
| output enable time max. | 3 ms | |
| output disable time max. | 250ns | |
|
Jitter 1 σ
|
3.0 ps
|
|
| phase jitter 12kHz-20 MHz | <0.35 ps RMS max./0.2 ps RMS typ | |
.jpg)
Jauch溫補晶振,O 26.0-JT53C-A-G-3.3-LF,6G移動無線電晶振尺寸圖
| Jauch晶振原廠編碼 | 制造商 | 型號 | 頻率 | 頻率容差 | 負載電容 | 工作溫度 |
| Q 0.032768-JTX410-7-20-T1-LF | Jauch晶振 | JTX410 | 32.768kHz | ±20ppm | 7pF | -40°C ~ 85°C |
| Q 0.032768-JTX410-8-20-T1-LF | Jauch晶振 | JTX410 | 32.768kHz | ±20ppm | 8pF | -40°C ~ 85°C |
| Q 0.032768-JTX410-10-20-T1-LF | Jauch晶振 | JTX410 | 32.768kHz | ±20ppm | 10pF | -40°C ~ 85°C |
| Q 0.032768-JTX410-12.5-20-T1-LF | Jauch晶振 | JTX410 | 32.768kHz | ±20ppm | 12.5pF | -40°C ~ 85°C |
| Q 0.032768-JTX410-9-10-T1-LF | Jauch晶振 | JTX410 | 32.768kHz | ±10ppm | 9pF | -40°C ~ 85°C |
| Q 0.032768-JTX410-7-10-T1-LF | Jauch晶振 | JTX410 | 32.768kHz | ±10ppm | 7pF | -40°C ~ 85°C |
| Q 0.032768-JTX410-8-10-T1-LF | Jauch晶振 | JTX410 | 32.768kHz | ±10ppm | 8pF | -40°C ~ 85°C |
| Q 0.032768-JTX410-10-10-T1-LF | Jauch晶振 | JTX410 | 32.768kHz | ±10ppm | 10pF | -40°C ~ 85°C |
| Q 0.032768-JTX410-12.5-10-T1-LF | Jauch晶振 | JTX410 | 32.768kHz | ±10ppm | 12.5pF | -40°C ~ 85°C |
| Q 0.032768-JTX410-9-30-T1-LF | Jauch晶振 | JTX410 | 32.768kHz | ±30ppm | 9pF | -40°C ~ 85°C |
| Q 0.032768-JTX410-8-30-T1-LF | Jauch晶振 | JTX410 | 32.768kHz | ±30ppm | 8pF | -40°C ~ 85°C |
| Q 0.032768-JTX410-7-30-T1-LF | Jauch晶振 | JTX410 | 32.768kHz | ±30ppm | 7pF | -40°C ~ 85°C |
| Q 0.032768-JTX410-12.5-30-T1-LF | Jauch晶振 | JTX410 | 32.768kHz | ±30ppm | 12.5pF | -40°C ~ 85°C |
| Q 0.032768-JTX410-10-30-T1-LF | Jauch晶振 | JTX410 | 32.768kHz | ±30ppm | 10pF | -40°C ~ 85°C |
| Q 0.032768-JTX310-12.5-20-T1-HMR-LF | Jauch晶振 | JTX310 | 32.768kHz | ±20ppm | 12.5pF | -40°C ~ 85°C |
| Q 0.032768-JTX310-12.5-20-T1-HMR-LF | Jauch晶振 | JTX310 | 32.768kHz | ±20ppm | 12.5pF | -40°C ~ 85°C |
| Q 0.032768-JTX310-12.5-20-T2-HMR-LF | Jauch晶振 | JTX310 | 32.768kHz | ±20ppm | 12.5pF | -40°C ~ 105°C |
| Q 0.032768-JTX310-12.5-20-T2-HMR-LF | Jauch晶振 | JTX310 | 32.768kHz | ±20ppm | 12.5pF | -40°C ~ 105°C |
| Q 0.032768-JTX310-12.5-20-T2-HMR-LF | Jauch晶振 | JTX310 | 32.768kHz | ±20ppm | 12.5pF | -40°C ~ 105°C |
| Q 0.032768-JTX310-9-20-T1-HMR-LF | Jauch晶振 | JTX310 | 32.768kHz | ±20ppm | 9pF | -40°C ~ 85°C |
| Q 0.032768-JTX310-9-20-T1-HMR-LF | Jauch晶振 | JTX310 | 32.768kHz | ±20ppm | 9pF | -40°C ~ 85°C |
| Q 0.032768-JTX310-9-20-T1-HMR-LF | Jauch晶振 | JTX310 | 32.768kHz | ±20ppm | 9pF | -40°C ~ 85°C |
| Q 0.032768-JTX310-12.5-20-T3-HMR-LF | Jauch晶振 | JTX310 | 32.768kHz | ±20ppm | 12.5pF | -40°C ~ 125°C |
| Q 0.032768-JTX310-12.5-20-T3-HMR-LF | Jauch晶振 | JTX310 | 32.768kHz | ±20ppm | 12.5pF | -40°C ~ 125°C |
| Q 0.032768-JTX310-12.5-20-T3-HMR-LF | Jauch晶振 | JTX310 | 32.768kHz | ±20ppm | 12.5pF | -40°C ~ 125°C |
| Q 0.032768-JTX310-12.5-20-T1-HMR-50K-LF | Jauch晶振 | JTX310 | 32.768kHz | ±20ppm | 12.5pF | -40°C ~ 85°C |
| Q 0.032768-JTX310-12.5-20-T1-HMR-50K-LF | Jauch晶振 | JTX310 | 32.768kHz | ±20ppm | 12.5pF | -40°C ~ 85°C |
| Q 0.032768-JTX310-12.5-20-T1-HMR-50K-LF | Jauch晶振 | JTX310 | 32.768kHz | ±20ppm | 12.5pF | -40°C ~ 85°C |
| Q 0.032768-JTX310-12.5-20-T1-HMR-60K-LF | Jauch晶振 | JTX310 | 32.768kHz | ±20ppm | 12.5pF | -40°C ~ 85°C |
| Q 0.032768-JTX310-12.5-20-T1-HMR-60K-LF | Jauch晶振 | JTX310 | 32.768kHz | ±20ppm | 12.5pF | -40°C ~ 85°C |
| Q 0.032768-JTX310-12.5-20-T1-HMR-60K-LF | Jauch晶振 | JTX310 | 32.768kHz | ±20ppm | 12.5pF | -40°C ~ 85°C |
| Q 0.032768-JTX310-7-20-T1-HMR-LF | Jauch晶振 | JTX310 | 32.768kHz | ±20ppm | 7pF | -40°C ~ 85°C |
| Q 0.032768-JTX310-7-20-T1-HMR-LF | Jauch晶振 | JTX310 | 32.768kHz | ±20ppm | 7pF | -40°C ~ 85°C |
| Q 0.032768-JTX310-7-20-T1-HMR-LF | Jauch晶振 | JTX310 | 32.768kHz | ±20ppm | 7pF | -40°C ~ 85°C |
| Q 0.032768-JTX310-9-20-T2-HMR-LF | Jauch晶振 | JTX310 | 32.768kHz | ±20ppm | 9pF | -40°C ~ 105°C |
| Q 0.032768-JTX310-9-20-T2-HMR-LF | Jauch晶振 | JTX310 | 32.768kHz | ±20ppm | 9pF | -40°C ~ 105°C |
| Q 0.032768-JTX310-9-20-T2-HMR-LF | Jauch晶振 | JTX310 | 32.768kHz | ±20ppm | 9pF | -40°C ~ 105°C |
| Q 0.032768-JTX310-7-20-T2-HMR-LF | Jauch晶振 | JTX310 | 32.768kHz | ±20ppm | 7pF | -40°C ~ 105°C |
| Q 0.032768-JTX310-7-20-T2-HMR-LF | Jauch晶振 | JTX310 | 32.768kHz | ±20ppm | 7pF | -40°C ~ 105°C |
| Q 0.032768-JTX310-7-20-T2-HMR-LF | Jauch晶振 | JTX310 | 32.768kHz | ±20ppm | 7pF | -40°C ~ 105°C |
| Q 0.032768-JTX310-9-20-T3-HMR-LF | Jauch晶振 | JTX310 | 32.768kHz | ±20ppm | 9pF | -40°C ~ 125°C |
| Q 0.032768-JTX310-9-20-T3-HMR-LF | Jauch晶振 | JTX310 | 32.768kHz | ±20ppm | 9pF | -40°C ~ 125°C |
| Q 0.032768-JTX310-9-20-T3-HMR-LF | Jauch晶振 | JTX310 | 32.768kHz | ±20ppm | 9pF | -40°C ~ 125°C |
| Q 0.032768-JTX310-12.5-20-T2-HMR-70K-LF | Jauch晶振 | JTX310 | 32.768kHz | ±20ppm | 12.5pF | -40°C ~ 105°C |
| Q 0.032768-JTX310-12.5-20-T2-HMR-70K-LF | Jauch晶振 | JTX310 | 32.768kHz | ±20ppm | 12.5pF | -40°C ~ 105°C |
| Q 0.032768-JTX310-12.5-20-T2-HMR-70K-LF | Jauch晶振 | JTX310 | 32.768kHz | ±20ppm | 12.5pF | -40°C ~ 105°C |
| Q 0.032768-JTX310-7-20-T3-HMR-LF | Jauch晶振 | JTX310 | 32.768kHz | ±20ppm | 7pF | -40°C ~ 125°C |
| Q 0.032768-JTX310-7-20-T3-HMR-LF | Jauch晶振 | JTX310 | 32.768kHz | ±20ppm | 7pF | -40°C ~ 125°C |
| Q 0.032768-JTX310-7-20-T3-HMR-LF | Jauch晶振 | JTX310 | 32.768kHz | ±20ppm | 7pF | -40°C ~ 125°C |
| Q 0.032768-JTX310-12.5-20-T3-HMR-70K-LF | Jauch晶振 | JTX310 | 32.768kHz | ±20ppm | 12.5pF | -40°C ~ 125°C |
| Q 0.032768-JTX310-12.5-20-T3-HMR-70K-LF | Jauch晶振 | JTX310 | 32.768kHz | ±20ppm | 12.5pF | -40°C ~ 125°C |
| Q 0.032768-JTX310-12.5-20-T3-HMR-70K-LF | Jauch晶振 | JTX310 | 32.768kHz | ±20ppm | 12.5pF | -40°C ~ 125°C |
| Q 0.032768-JTX310-6-20-T1-HMR-LF | Jauch晶振 | JTX310 | 32.768kHz | ±20ppm | 6pF | -40°C ~ 85°C |
| Q 0.032768-JTX310-6-20-T1-HMR-LF | Jauch晶振 | JTX310 | 32.768kHz | ±20ppm | 6pF | -40°C ~ 85°C |
| Q 0.032768-JTX310-6-20-T1-HMR-LF | Jauch晶振 | JTX310 | 32.768kHz | ±20ppm | 6pF | -40°C ~ 85°C |
| Q 0.032768-JTX310-6-20-T2-HMR-LF | Jauch晶振 | JTX310 | 32.768kHz | ±20ppm | 6pF | -40°C ~ 105°C |
| Q 0.032768-JTX310-6-20-T2-HMR-LF | Jauch晶振 | JTX310 | 32.768kHz | ±20ppm | 6pF | -40°C ~ 105°C |
| Q 0.032768-JTX310-6-20-T2-HMR-LF | Jauch晶振 | JTX310 | 32.768kHz | ±20ppm | 6pF | -40°C ~ 105°C |
| Q 0.032768-JTX210-12.5-20-T1-LF | Jauch晶振 | JTX210 | 32.768kHz | ±20ppm | 12.5pF | -40°C ~ 85°C |
| Q 0.032768-JTX210-12.5-20-T1-LF | Jauch晶振 | JTX210 | 32.768kHz | ±20ppm | 12.5pF | -40°C ~ 85°C |
| Q 0.032768-JTX210-12.5-20-T1-LF | Jauch晶振 | JTX210 | 32.768kHz | ±20ppm | 12.5pF | -40°C ~ 85°C |
| Q 0.032768-JTX210-9-20-T1-LF | Jauch晶振 | JTX210 | 32.768kHz | ±20ppm | 9pF | -40°C ~ 85°C |
| Q 0.032768-JTX210-9-20-T1-LF | Jauch晶振 | JTX210 | 32.768kHz | ±20ppm | 9pF | -40°C ~ 85°C |
| Q 0.032768-JTX210-9-20-T1-LF | Jauch晶振 | JTX210 | 32.768kHz | ±20ppm | 9pF | -40°C ~ 85°C |
| Q 0.032768-JTX310-6-20-T3-HMR-LF | Jauch晶振 | JTX310 | 32.768kHz | ±20ppm | 6pF | -40°C ~ 125°C |
| Q 0.032768-JTX310-6-20-T3-HMR-LF | Jauch晶振 | JTX310 | 32.768kHz | ±20ppm | 6pF | -40°C ~ 125°C |
| Q 0.032768-JTX310-6-20-T3-HMR-LF | Jauch晶振 | JTX310 | 32.768kHz | ±20ppm | 6pF | -40°C ~ 125°C |
| Q 0.032768-JTX310-12.5-10-T1-HMR-LF | Jauch晶振 | JTX310 | 32.768kHz | ±10ppm | 12.5pF | -40°C ~ 85°C |
| Q 0.032768-JTX310-12.5-10-T1-HMR-LF | Jauch晶振 | JTX310 | 32.768kHz | ±10ppm | 12.5pF | -40°C ~ 85°C |
| Q 0.032768-JTX310-12.5-10-T1-HMR-LF | Jauch晶振 | JTX310 | 32.768kHz | ±10ppm | 12.5pF | -40°C ~ 85°C |
| Q 0.032768-JTX210-12.5-20-T2-LF | Jauch晶振 | JTX210 | 32.768kHz | ±20ppm | 12.5pF | -40°C ~ 105°C |
| Q 0.032768-JTX210-12.5-20-T2-LF | Jauch晶振 | JTX210 | 32.768kHz | ±20ppm | 12.5pF | -40°C ~ 105°C |
| Q 0.032768-JTX210-12.5-20-T2-LF | Jauch晶振 | JTX210 | 32.768kHz | ±20ppm | 12.5pF | -40°C ~ 105°C |
| Q 0.032768-JTX310-12.5-10-T2-HMR-LF | Jauch晶振 | JTX310 | 32.768kHz | ±10ppm | 12.5pF | -40°C ~ 105°C |
| Q 0.032768-JTX310-12.5-10-T2-HMR-LF | Jauch晶振 | JTX310 | 32.768kHz | ±10ppm | 12.5pF | -40°C ~ 105°C |
| Q 0.032768-JTX310-12.5-10-T2-HMR-LF | Jauch晶振 | JTX310 | 32.768kHz | ±10ppm | 12.5pF | -40°C ~ 105°C |
| Q 19.2-JXS22-10-10/10-WA-LF | Jauch晶振 | JXS22-WA | 19.2MHz | ±10ppm | 10pF | -20°C ~ 70°C |
| Q 19.2-JXS22-10-10/10-WA-LF | Jauch晶振 | JXS22-WA | 19.2MHz | ±10ppm | 10pF | -20°C ~ 70°C |
| Q 19.2-JXS22-12-10/10-WA-LF | Jauch晶振 | JXS22-WA | 19.2MHz | ±10ppm | 12pF | -20°C ~ 70°C |
| Q 19.2-JXS22-12-10/10-WA-LF | Jauch晶振 | JXS22-WA | 19.2MHz | ±10ppm | 12pF | -20°C ~ 70°C |
| Q 19.2-JXS22-12-10/10-WA-LF | Jauch晶振 | JXS22-WA | 19.2MHz | ±10ppm | 12pF | -20°C ~ 70°C |
| Q 19.2-JXS22-8-10/10-WA-LF | Jauch晶振 | JXS22-WA | 19.2MHz | ±10ppm | 8pF | -20°C ~ 70°C |
| Q 19.2-JXS22-8-10/10-WA-LF | Jauch晶振 | JXS22-WA | 19.2MHz | ±10ppm | 8pF | -20°C ~ 70°C |
| Q 19.2-JXS22-8-10/10-WA-LF | Jauch晶振 | JXS22-WA | 19.2MHz | ±10ppm | 8pF | -20°C ~ 70°C |
| Q 19.2-JXS22-9-10/10-WA-LF | Jauch晶振 | JXS22-WA | 19.2MHz | ±10ppm | 9pF | -20°C ~ 70°C |
| Q 19.2-JXS22-9-10/10-WA-LF | Jauch晶振 | JXS22-WA | 19.2MHz | ±10ppm | 9pF | -20°C ~ 70°C |
| Q 19.2-JXS22-9-10/10-WA-LF | Jauch晶振 | JXS22-WA | 19.2MHz | ±10ppm | 9pF | -20°C ~ 70°C |
| Q 20.0-JXS22-10-10/10-FU-WA-LF | Jauch晶振 | JXS22-WA | 20MHz | ±10ppm | 10pF | -20°C ~ 70°C |
| Q 20.0-JXS22-10-10/10-FU-WA-LF | Jauch晶振 | JXS22-WA | 20MHz | ±10ppm | 10pF | -20°C ~ 70°C |
| Q 20.0-JXS22-10-10/10-FU-WA-LF | Jauch晶振 | JXS22-WA | 20MHz | ±10ppm | 10pF | -20°C ~ 70°C |
| Q 20.0-JXS22-12-10/10-FU-WA-LF | Jauch晶振 | JXS22-WA | 20MHz | ±10ppm | 12pF | -20°C ~ 70°C |
| Q 20.0-JXS22-12-10/10-FU-WA-LF | Jauch晶振 | JXS22-WA | 20MHz | ±10ppm | 12pF | -20°C ~ 70°C |
| Q 20.0-JXS22-12-10/10-FU-WA-LF | Jauch晶振 | JXS22-WA | 20MHz | ±10ppm | 12pF | -20°C ~ 70°C |
| Q 20.0-JXS22-8-10/10-FU-WA-LF | Jauch晶振 | JXS22-WA | 20MHz | ±10ppm | 8pF | -20°C ~ 70°C |
| Q 20.0-JXS22-8-10/10-FU-WA-LF | Jauch晶振 | JXS22-WA | 20MHz | ±10ppm | 8pF | -20°C ~ 70°C |
| Q 20.0-JXS22-8-10/10-FU-WA-LF | Jauch晶振 | JXS22-WA | 20MHz | ±10ppm | 8pF | -20°C ~ 70°C |
| Q 20.0-JXS22-9-10/10-FU-WA-LF | Jauch晶振 | JXS22-WA | 20MHz | ±10ppm | 9pF | -20°C ~ 70°C |
| Q 20.0-JXS22-9-10/10-FU-WA-LF | Jauch晶振 | JXS22-WA | 20MHz | ±10ppm | 9pF | -20°C ~ 70°C |
| Q 20.0-JXS22-9-10/10-FU-WA-LF | Jauch晶振 | JXS22-WA | 20MHz | ±10ppm | 9pF | -20°C ~ 70°C |
| Q 24.0-JXS22-10-10/10-FU-WA-LF | Jauch晶振 | JXS22-WA | 24MHz | ±10ppm | 10pF | -20°C ~ 70°C |
| Q 24.0-JXS22-10-10/10-FU-WA-LF | Jauch晶振 | JXS22-WA | 24MHz | ±10ppm | 10pF | -20°C ~ 70°C |
| Q 24.0-JXS22-10-10/10-FU-WA-LF | Jauch晶振 | JXS22-WA | 24MHz | ±10ppm | 10pF | -20°C ~ 70°C |
| Q 24.0-JXS22-12-10/10-FU-WA-LF | Jauch晶振 | JXS22-WA | 24MHz | ±10ppm | 12pF | -20°C ~ 70°C |
| Q 24.0-JXS22-12-10/10-FU-WA-LF | Jauch晶振 | JXS22-WA | 24MHz | ±10ppm | 12pF | -20°C ~ 70°C |
| Q 24.0-JXS22-12-10/10-FU-WA-LF | Jauch晶振 | JXS22-WA | 24MHz | ±10ppm | 12pF | -20°C ~ 70°C |
| Q 24.0-JXS22-8-10/10-FU-WA-LF | Jauch晶振 | JXS22-WA | 24MHz | ±10ppm | 8pF | -20°C ~ 70°C |
| Q 24.0-JXS22-8-10/10-FU-WA-LF | Jauch晶振 | JXS22-WA | 24MHz | ±10ppm | 8pF | -20°C ~ 70°C |
| Q 24.0-JXS22-8-10/10-FU-WA-LF | Jauch晶振 | JXS22-WA | 24MHz | ±10ppm | 8pF | -20°C ~ 70°C |
| Q 24.0-JXS22-9-10/10-FU-WA-LF | Jauch晶振 | JXS22-WA | 24MHz | ±10ppm | 9pF | -20°C ~ 70°C |
| Q 24.0-JXS22-9-10/10-FU-WA-LF | Jauch晶振 | JXS22-WA | 24MHz | ±10ppm | 9pF | -20°C ~ 70°C |
| Q 24.0-JXS22-9-10/10-FU-WA-LF | Jauch晶振 | JXS22-WA | 24MHz | ±10ppm | 9pF | -20°C ~ 70°C |
| Q 26.0-JXS21-12-10/10-FU-WA-LF | Jauch晶振 | JXS21-WA | 26MHz | ±10ppm | 12pF | -20°C ~ 70°C |
| Q 26.0-JXS21-8-10/10-FU-WA-LF | Jauch晶振 | JXS21-WA | 26MHz | ±10ppm | 8pF | -20°C ~ 70°C |
| Q 26.0-JXS21-9-10/10-FU-WA-LF | Jauch晶振 | JXS21-WA | 26MHz | ±10ppm | 9pF | -20°C ~ 70°C |
| Q 26.0-JXS22-10-10/10-FU-WA-LF | Jauch晶振 | JXS22-WA | 26MHz | ±10ppm | 10pF | -20°C ~ 70°C |
| Q 26.0-JXS22-10-10/10-FU-WA-LF | Jauch晶振 | JXS22-WA | 26MHz | ±10ppm | 10pF | -20°C ~ 70°C |
| Q 26.0-JXS22-10-10/10-FU-WA-LF | Jauch晶振 | JXS22-WA | 26MHz | ±10ppm | 10pF | -20°C ~ 70°C |
| Q 26.0-JXS22-12-10/10-FU-WA-LF | Jauch晶振 | JXS22-WA | 26MHz | ±10ppm | 12pF | -20°C ~ 70°C |
| Q 26.0-JXS22-12-10/10-FU-WA-LF | Jauch晶振 | JXS22-WA | 26MHz | ±10ppm | 12pF | -20°C ~ 70°C |
| Q 26.0-JXS22-12-10/10-FU-WA-LF | Jauch晶振 | JXS22-WA | 26MHz | ±10ppm | 12pF | -20°C ~ 70°C |
| Q 26.0-JXS22-8-10/10-FU-WA-LF | Jauch晶振 | JXS22-WA | 26MHz | ±10ppm | 8pF | -20°C ~ 70°C |
| Q 26.0-JXS22-8-10/10-FU-WA-LF | Jauch晶振 | JXS22-WA | 26MHz | ±10ppm | 8pF | -20°C ~ 70°C |
| Q 26.0-JXS22-8-10/10-FU-WA-LF | Jauch晶振 | JXS22-WA | 26MHz | ±10ppm | 8pF | -20°C ~ 70°C |
| Q 26.0-JXS22-9-10/10-FU-WA-LF | Jauch晶振 | JXS22-WA | 26MHz | ±10ppm | 9pF | -20°C ~ 70°C |
| Q 26.0-JXS22-9-10/10-FU-WA-LF | Jauch晶振 | JXS22-WA | 26MHz | ±10ppm | 9pF | -20°C ~ 70°C |
| Q 26.0-JXS22-9-10/10-FU-WA-LF | Jauch晶振 | JXS22-WA | 26MHz | ±10ppm | 9pF | -20°C ~ 70°C |
| Q 27.12-JXS21-10-10/10-FU-WA-LF | Jauch晶振 | JXS21-WA | 27.12MHz | ±10ppm | 10pF | -20°C ~ 70°C |
| Q 27.12-JXS21-12-10/10-FU-WA-LF | Jauch晶振 | JXS21-WA | 27.12MHz | ±10ppm | 12pF | -20°C ~ 70°C |
| Q 27.12-JXS21-8-10/10-FU-WA-LF | Jauch晶振 | JXS21-WA | 27.12MHz | ±10ppm | 8pF | -20°C ~ 70°C |
.jpg)
.jpg)
SHENZHEN YIJIN ELECTRONICS CO;LTD
電話:0755-27876565
手機:18924600166
QQ:857950243
郵箱:yijindz@163.com
網站://hikefu.cn
地址:廣東省深圳市寶安區新安107國道旁





